ФОРМА ПОИСКА ПО КАТАЛОГУ ЗАПЧАСТЕЙ

Товар есть в наличии, звоните и заказывайте!

КПП EATON Калининград

Существует множество разновидностей трансмиссий EATON. Наша организация занимается поставкой и реализацией запчастей Eaton для трансмиссий, которые устанавливаются на грузовых автомобилях европейского производства, а также на машинах, изготовленных в США, Мексике, Бразилии и других странах.

Важно!
Для каждой КПП имеется свой каталог с деталировкой по запчастям.

Для того чтобы найти и определить необходимую запчасть, желательно иметь полные данные с таблички КПП (шильдик на корпусе коробки), номер детали или вин-код автомобиля, при условии, что КПП не была заменена.

Номера КПП EATON с шилды начинаются на Y. Пример Y2771825.
Этот номер нужен для поиска и подбора запчастей.

В этом разделе размещены чертежи, которые дают общее представление о конструкции КПП и ее деталировке. Конкретные каталоги могут быть представлены в этом разделе или отправлены на вашу электронную почту по запросу.

Каталоги доступны в формате PDF.
 

EATON

16-ступенчатые КПП
RTS012316
12-ступенчатые КПП
TS011612
13-ступенчатые КПП
RT011613
9-ступенчатые КПП
FS08209
6-ступенчатые КПП
FS05206


EATON FULLER

13-ступенчатые КПП
RT RTO RTLO
18-ступенчатые КПП
RTO RTLO
15-ступенчатые КПП
RT RTO RTX
10-ступенчатые КПП
LL
10-ступенчатые КПП
RT RTX RTO
9-ступенчатые КПП
RT RTX RTO
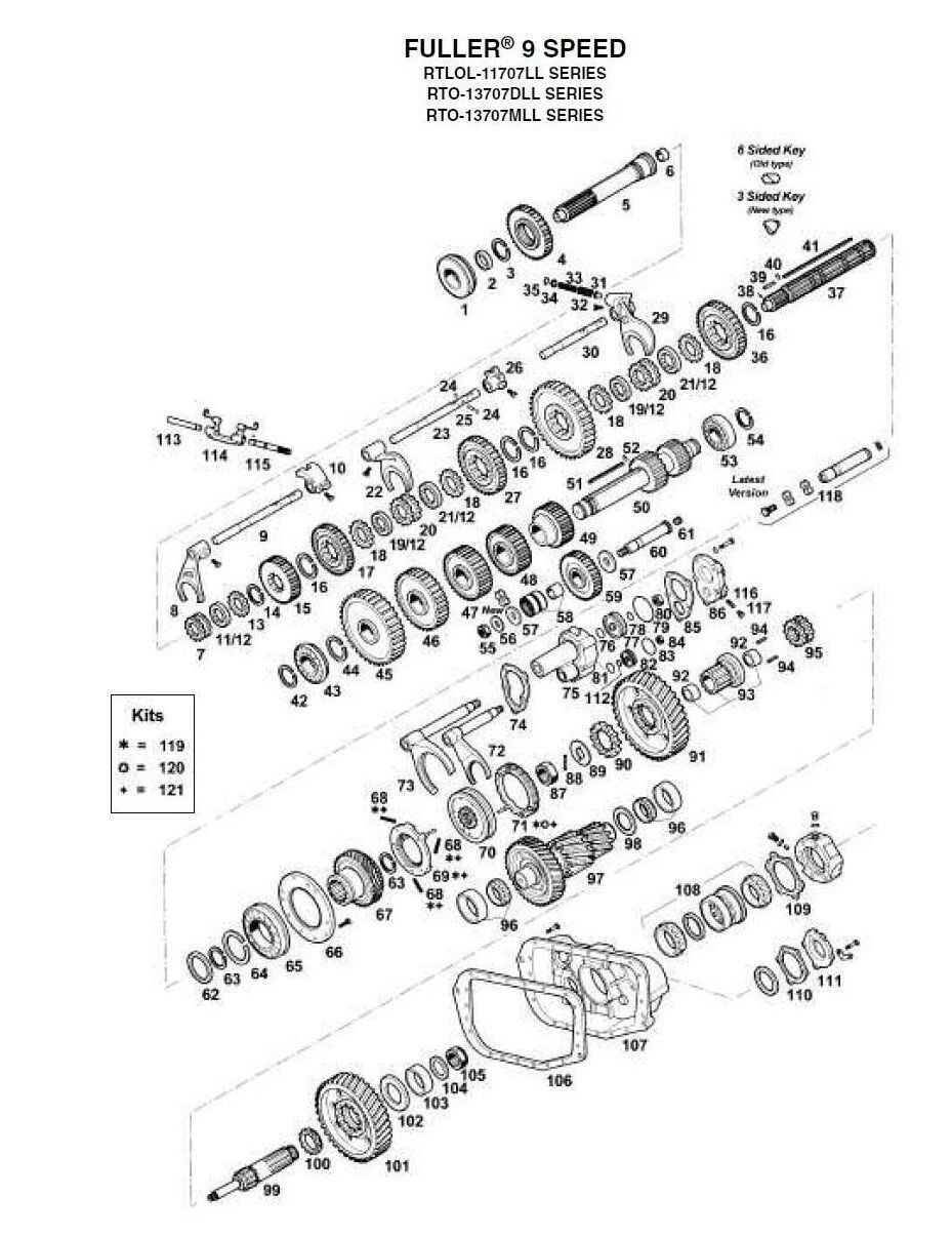
9-ступенчатые КПП
LL
7,8-ступенчатые КПП
RT RTO
6-ступенчатые КПП
FS FSO
5-ступенчатые КПП
FS FSO